みんなの速報

インフォメーション

少年サッカー応援団企業



大会情報一覧

2018年度 新潟県クラブユースサッカー(U-14)新人大会

開催時期
2018年8月
大会概要
<大会概要>
競技方法

<予選リーグ>
①参加希望チームをa~hの8グループに分けリーグ戦を行う。
②①の各グループに第2シードチームを1チームを入れる。第3シードグループを会場を考慮し振分ける。NiCY U-13大会出場チームの抽選をし、それ以外のチームはフリー抽選とし、会場を考慮し各グループ分けを行う。
③①の上位1チームを決勝トーナメントへ、それ以外は2位トーナメント、3位トーナメント、4・5位順位戦と振り分ける。
<順位決定トーナメント・順位決定戦>
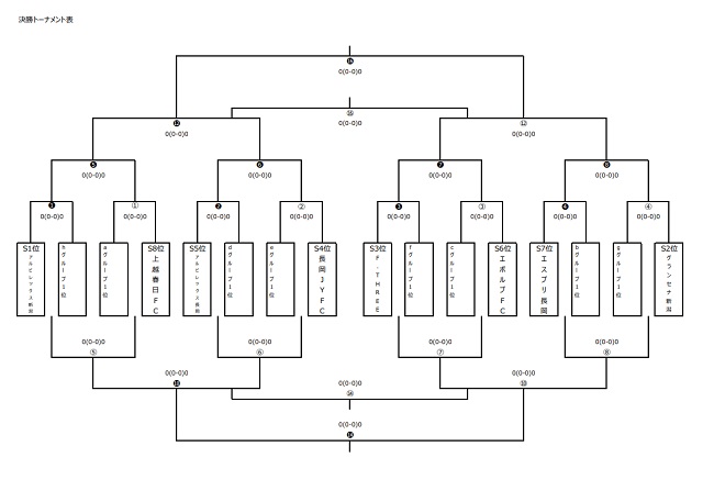
①Sシード8チームと予選リーグ①の各グループ1位8チームにて決勝トーナメントを行う。2位8チームにて2位トーナメント、3位8チームにて3位トーナメントを行う。
②予選リーグ①の4位、5位のチームにて順位リーグ、順位決定リーグまたはフレンドリーマッチを行う。
③予選リーグ①②の結果に基づき順位を決定する。
<予選リーグ、順位リーグ、順位決定リーグは勝ち点制とし、勝ち点は以下の通りとする。>
①勝ち=3点、引分け=1点、負け=0点
②勝ち点が同一の場合、(ⅰ)得失点差(ⅱ)総得点(ⅲ)対戦成績(ⅳ)抽選の順で順位を決定する。
<試合時間>
全試合50分(25分-5分-25分)で行う。
試合時間内に勝敗が決定しない場合はPK合戦を行い勝敗を決定する。

表彰

①優勝、準優勝、第3位のチームには表彰状を授与する。
②北信越クラブユースサッカー(U-14)新人大会への出場について
(1)優勝、準優勝のチームには、北信越クラブユースサッカー(U-14)新人大会チャンピオンシップへの出場権を与える。
(2)第3、4、5、6、7、8位のチームには北信越クラブユースサッカー(U-14)新人フェスティバルへの出場権を与える。
(3)準備加盟クラブは、北信越クラブユースサッカー(U-14)新人大会への出場が認められていない為、第1位~第8位に入賞した場合は、そのチームを除いて順位を繰り上げる。
③上位チームには2019年度新潟県クラブユースサッカー選手権(U-15)大会のシード権を与える。また、2019年度高円宮杯北信越ユース(U-15)サッカーリーグに参戦するチームについても2019年度新潟県クラブユースサッカー選手権(U-15)大会のシード権を与える。

<予選リーグ>

<順位決定トーナメント>


大会スケジュール
<日程>

予選リーグ:2018年8月18日(土)、19日(日)、28日(土)、26日(日)
順位決定戦:2018年9月16日(土)、17日(日)

<会場>

新発田中央公園
アルビレッジ
グランセナ新潟フットボールスタジアム
潟東サルビアサッカー場
長岡ニュータウン
寺泊海浜公園
刈羽ぴあパーク
津南

大会結果

<2018年度>
優勝:F.THREE
準優勝:アルビレックス新潟
第3位:グランセナ新潟
参照元:ジュニアサッカーNEWS


<2017年度>
優 勝:F.THREE U-15
準優勝:グランセナ新潟FC
第3位:長岡JYFC
参照元:ジュニアサッカーNEWS

<2016年度>
優勝:アルビレックス新潟
準優勝:長岡JYFC
第3位:エボルブFC
参照:ジュニアサッカーNEWS

<2015年度>
優 勝:長岡JYFC
準優勝:アルビレックス新潟
第3位:新潟トレジャーFC
参照:新潟県サッカー協会

参加型コンテンツ
PAGETOP